Москва
msk@cztt.ru +7 495 363 80 60
Москва
В наличии
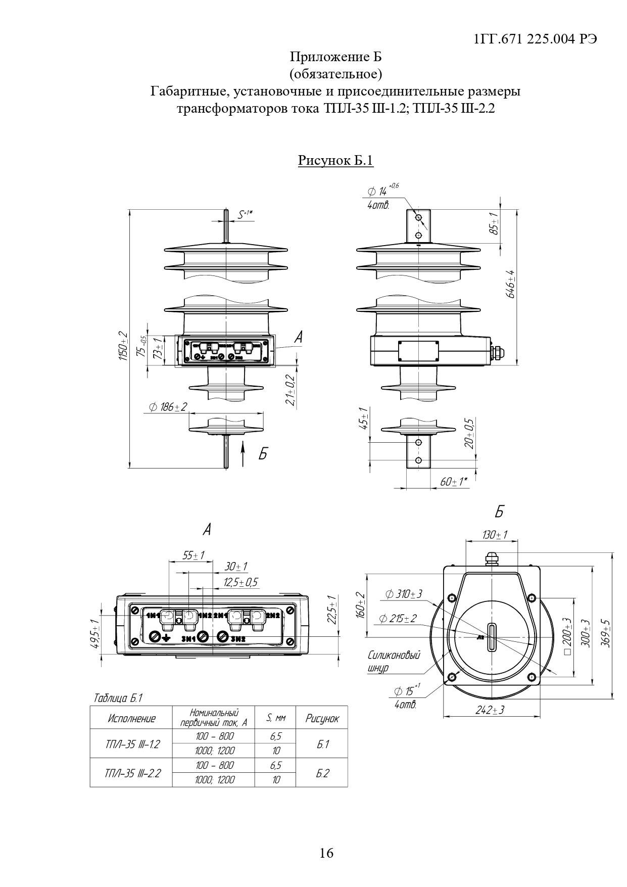
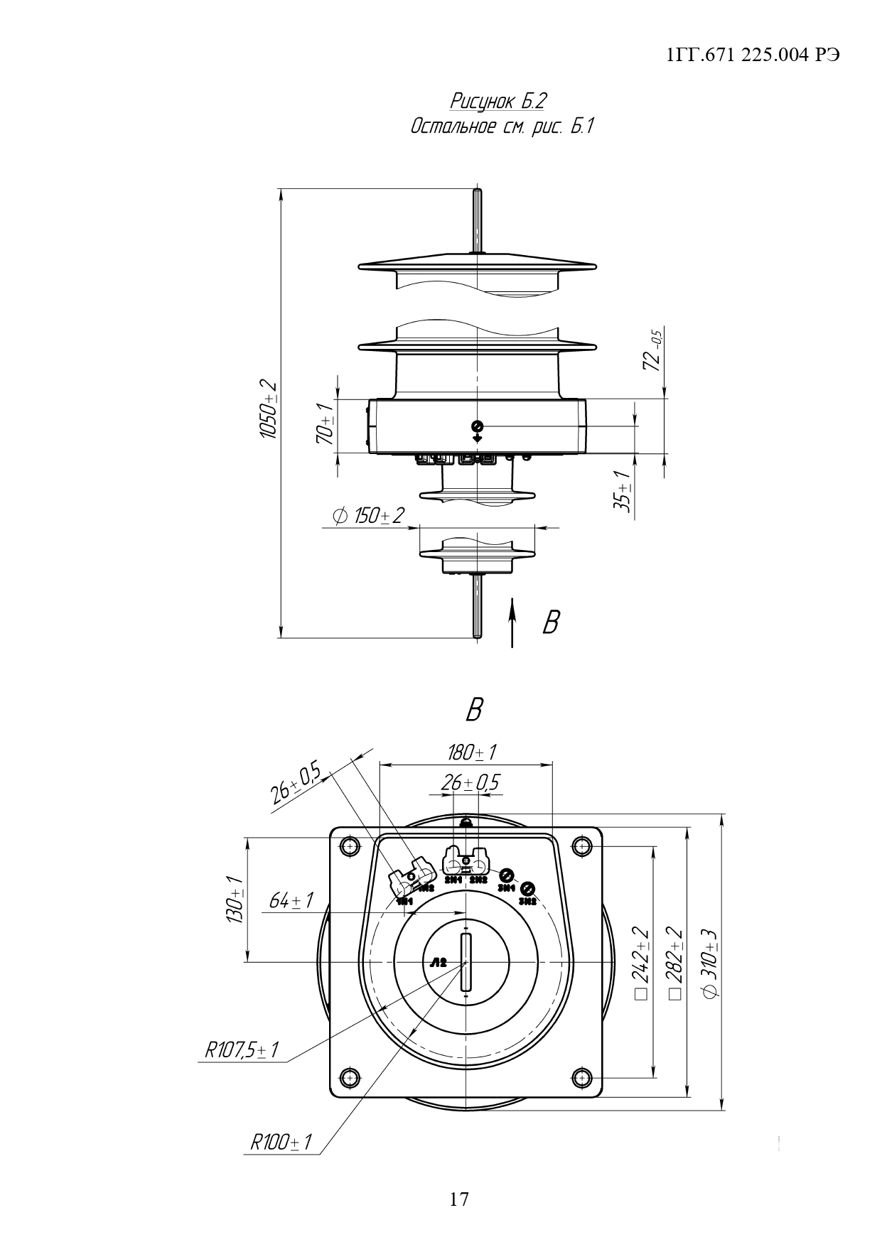
Трансформаторы тока ТПЛ-35 III

Трансформаторы тока ТПЛ-35 III

Powered by Froala Editor

Класс напряжения, кВ: 35 Климатическое исполнение: УХЛ1; УХЛ2; Т1; Т2 Номинальный первичный ток, А: 100—1200
от 112 500 ₽
Товар сертифицирован Межповерочный интервал: 16 лет
QR
Получить консультацию

Наведите телефон на QR код

Силовые трансформаторы ОЛ-0,25/10,5(6,3)М
Силовые трансформаторы ОЛ-0,25/10,5(6,3)М

Класс напряжения, кВ: 6; 10

Климатическое исполнение: УХЛ1

Мощность, кВА: 0,25

Подробнее
Трансформаторы тока ТОЛ-35 III-IV-11
Трансформаторы тока ТОЛ-35 III-IV-11

Класс напряжения, кВ: 35

Климатическое исполнение: УХЛ1, Т1

Номинальный первичный ток, А: 15—4...

Подробнее
Устройство защиты от феррорезонанса СЗТн-2
Устройство защиты от феррорезонанса СЗТн-2

Класс напряжения, кВ: 0.66

Климатическое исполнение: УХЛ

Масса, кг: 12

Подробнее
Трехфазные трансформаторы тока ТШЛ-1,2-Х-110(150)-1(2)
Трехфазные трансформаторы тока ТШЛ-1,2-Х-110(150)-1(2)

Класс напряжения, кВ: 0.66

Климатическое исполнение: У2; УХЛ2

Номинальный первичный ток, А: 75—1...

Подробнее
Трансформаторы напряжения ЗНОЛ.05ПМИ-35
Трансформаторы напряжения ЗНОЛ.05ПМИ-35

Заземляемый: да

Класс напряжения, кВ: 35

Климатическое исполнение: У3

Подробнее
Трансформаторы тока ТШЛ-0,66-VII-3
Трансформаторы тока ТШЛ-0,66-VII-3

Класс напряжения, кВ: 0.66

Климатическое исполнение: УХЛ1

Номинальный первичный ток, А: 80; 150

Подробнее
Трансформаторы тока ТЗЛМ-100 (250, 300, 450) х 590; ТЗЛМ-450х700
Трансформаторы тока ТЗЛМ-100 (250, 300, 450) х 590; ТЗЛМ-450х700

Диаметр окна, мм: 100х490; 1...

Климатическое исполнение: УХЛ2; Т2

Коэффициент трансформации: 30/1…470/1

Подробнее
Трансформаторы тока ТШП-0,66-I
Трансформаторы тока ТШП-0,66-I

Класс напряжения, кВ: 0.66

Климатическое исполнение: У3; Т3

Номинальный первичный ток, А: 50—6...

Подробнее
Трансформаторы напряжения ЗНОЛ.03
Трансформаторы напряжения ЗНОЛ.03

Заземляемый: да

Класс напряжения, кВ: 6; 10

Климатическое исполнение: У3

Подробнее
bg
оставьте заявку

Наш специалист проконсультирует
вас по интересующему вопросу

Бесплатная консультация
Александр Андреевич
Александр Андреевич Опыт работы с трансформаторами тока более 17 лет!
Нажимая на кнопку вы соглашаетесь на обработку персональных данных

Ваш город Екатеринбург?